新能源汽车的高压保护系统
2025-10-17
一文了解新能源汽车的高压保护系统
* 高压系统简介
配备电动或纯电驱动系统的车辆的高压系统配备了多种安全保护装置,只有在满足所有安全要求的情况下,系统才能被激活,一旦检测到故障,高压系统会直接关闭。这可能发生在以下情况:
* 高压系统的一个部件被拆卸,系统被激活。
* 由于碰撞或水损坏,电气部件或布线短路或与地短路。
* 部件因过载而损坏。
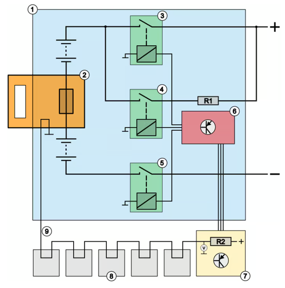
下图显示了安全系统所属的部件。蓝色部分可以看到高压电池(1)的一部分,左侧是橙色维修塞(2),中间有三个继电器(3 到 5),它们由 ECU(6)逐个激活,在高压电池下方是 ECU(7),它与用户(8)连接,如电动机、PTC 加热器、空气压缩机、转向助力和充电装置。

1-高压电池,2-带熔断器的维修塞, 3-继电器 1,4-继电器 2,5-继电器 3,6-高压电池 ECU,7-高压系统 ECU,8-电气用户设备,9-高压互锁导线
2 高压系统的启动
驾驶员通过按下启动按钮来激活高压系统,当显示屏上出现“HV ready”(高压系统就绪)消息时,高压系统已被激活。在高压系统激活之前,会控制高压电池组中的继电器,将电池组与用户设备连接起来。
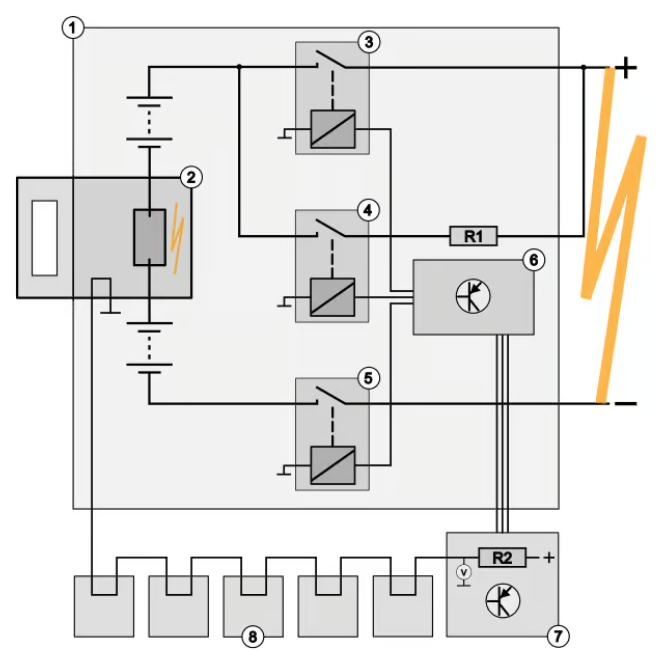
当高压系统被启动时,ECU(下图中的6)会激活高压继电器,即正电路中的继电器(4-继电器2)和负电路中的继电器(5-继电器3),下图左。先通过一个电阻使正电路通电,在下图中,我们看到继电器((4-继电器2))允许电流流向电阻 R1,电阻限制通过它的电流,从而限制了启动电流,这使得逆变器中的电容器可以缓慢充电。此时,系统可以使用较低的电压进行安全检查。当逆变器中电容器的电压大致等于高压电池组的电压时,继电器(3-继电器1)闭合,继电器(4-继电器2)打开,从而使逆变器和其他电气部件获得完整的电压,下图右。

3 高压互锁
高压互锁系统是一种安全系统,可在存在开路连接时防止电气接触,在与高压电池连接的每个部件中,至少有一个接触点,当发生中断时,高压系统可以将其关闭,这些接触点可以集成在布线中,也可以作为开关安装在组件的外壳中。
在左下图中,我们看到高压互锁系统启用:继电器(3-继电器1)和(5-继电器3)已闭合,这意味着高压电池的电压被传递到用户设备。高压互锁电路从车辆ECU(7)发出,显示为蓝色,从ECU发出的电压施加在电阻R2上。高压互锁作为串联连接,通过电气用户设备(8)引导,在电池组中,互锁接地,在ECU(7)中的电阻R2和通往用户设备的出口之间,有一个分支,用于测量互锁上的电压。
* 互锁正常:电阻R2后的电压为0伏;
* 互锁中断:电压未在电阻R2中消耗,为5伏、12伏或24伏(取决于供电电压)。
* 在启动和驾驶过程中,电阻R2后的电压会不断受到监控。

HV 系统启用,互锁(蓝色)闭合 HV 系统禁用,互锁断开
当服务插头(2)或其中一个电气元件(8)被拆卸时,互锁电路也会被断开,这种情况如右上图所示:其中服务插头已被移动,电池模块之间的保险丝和互锁电路都被断开。
由于互锁不再与车辆接地连接,经过电阻R2后的电压会上升到电源电压的值,车辆 ECU(7)直接控制电池ECU(6),导致继电器3、4和5不再被激活,此时HV 系统被禁用。
在下图中,我们看到橙色的服务插头,中间有大的接触点,用于切换HV电池的正负极引线,左侧有一个较小的插头连接器,带有两个针脚。这是互锁的两个针脚。在HV组件的连接器上也可以找到这些连接器。

4 短路保护
高压系统必须防止过大的电流,这些电流可能由布线或电气部件中的短路引起,如果没有保护,这可能导致电弧、导线熔化,甚至火灾。
熔断器旨在保护系统免受这些危险,熔断器可以位于维修塞中,也可以位于电池组的其他位置,车辆还可以配备多个熔断器,每个熔断器旨在保护特定的电路。

除了熔断器保护系统免受高电流影响外,高压电池的正极或负极引线中的电流传感器还会将电流数据传送给ECU,ECU会在过载情况下决定断开继电器。

5 高压绝缘监测
高压电池的正极和负极不仅彼此之间不接触,而且也不与周围环境接触。为了绝缘正极(从+电池到逆变器的+极),有多层绝缘层,中间有一个编织屏蔽层;负极也是绝缘的,不与车身或部件外壳接触。

车辆的车身确实与车载电池的负极(在乘用车中为12伏)相连,在高压部分则不是这样。故障原因可能有:
* 事故发生后,布线可能受损,导致正负极的铜线相互接触,或接触车辆车身;
* 过载从而导致过热,使电气部件中的绝缘层损坏(熔化),从而可能与周围环境接触;
* 如果车辆浸入水中,由于冷却液泄漏或制冷剂在电动空气压缩机中泄漏,可能会在正负极之间形成导电液体,导致短路。
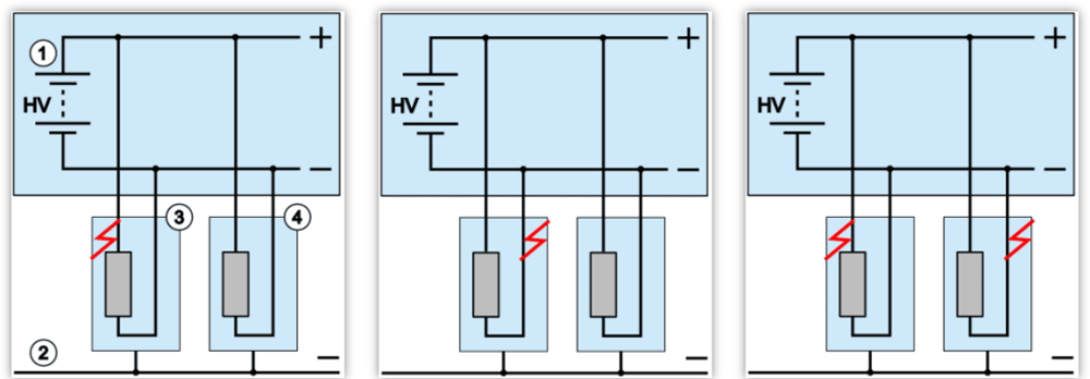
在电气部件中,绝缘不良可能导致高压电池的正极或负极引线与外壳之间形成连接,由于外壳始终安装在车辆的车身上,如果没有安全保护装置的干预,在绝缘损坏的情况下,高压电池的正极通过外壳与车辆车身连接,此时车身上会有几百伏的高电压。然而,由于无法以任何方式与高压电池的负极形成连接,因此不会有任何电流流动。只有在存在多个绝缘故障时,才会出现问题,即高压电池的正极和负极都与车身接触。
在下面的三张图中,我们看到高压电池组(1)带有正极和负极引线,下面是车辆车身(2),中间有两个电气用户设备(3和4)。

* 上图左:正极绝缘不良, 当用户设备(例如电加热器)的正极和外壳之间绝缘不良时,外壳会带电,由于与高压电池的负极没有连接,因此不会产生电流。
* 上图中:负极绝缘不良, 此时车身会出现一个(较小的)电压,但不会产生电流。
* 上图右:正负极绝缘不良, 在这种情况下,高压电池的正极和负极之间形成短路,车身成为正负极之间的导体,电流会迅速增加,直到维修塞和/或高压电池中的熔断器熔断,以保护系统。
由于正极或负极绝缘不良时尚未形成闭合电路,维修塞中的熔断器不会熔断,电动车辆中的永久绝缘监测会检测到这种电流泄漏,通过故障指示提醒驾驶员,即使存在绝缘故障,车辆仍可继续行驶,除非OEM通过软件将其关闭。
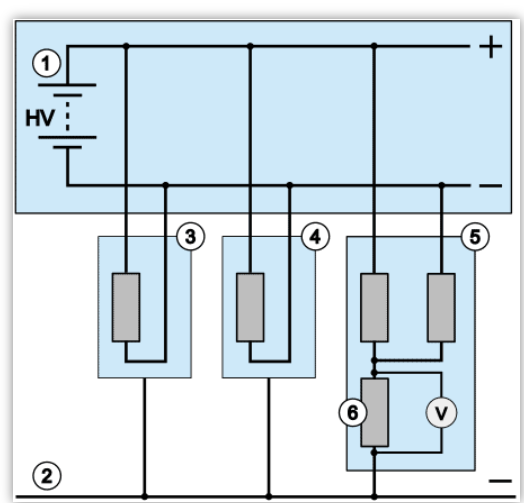
下图中的5号位置指示了高压绝缘监测发生的位置,实际上这一电气部分非常复杂。6号位置指示了并联测量电阻的位置,用于测量电压降。

下面的两幅图显示了正极(左)和负极(右)绝缘不良的情况。由于电流通过测量电阻流动,电阻回路中会消耗电压,测量电阻上的电压降是流经电阻电流大小的指标。

一旦ECU的高压绝缘监测检测到异常,将存储一个故障代码。P 代码(如 P1AF0 和 P1AF4)的可能描述可以是:“电池电压系统绝缘丢失”或“电池电压绝缘电路故障”。当车辆因绝缘故障进入车间时,维修人员可以使用诊断设备或手动使用兆欧表测量绝缘电阻,以检查是否存在绝缘泄漏。
6 小结
综上所述,电动汽车高压系统涉及多个关键领域:高压系统简介、启动流程、高压互锁机制、短路保护以及高压绝缘监测等。这些环节相互关联、协同工作,确保高压系统安全高效运行。未来,随着电动汽车技术的持续进步,高压系统也将不断优化升级。研究人员将致力于提升高压系统的性能、安全性和可靠性,为电动汽车的进一步普及保驾护航。同时,这也对相关技术人员提出了更高要求,需要他们不断学习新知识、掌握新技能,以应对电动汽车高压系统的复杂挑战,共同推动电动汽车行业迈向更辉煌的未来。
Copyright © 深圳市创智为新能源技术有限公司 All rights reserved
粤ICP备2025484848号 技术支持:顺的网络